1、 精密紧凑的内部结构设计360°旋转通电,导线不会相互缠绕,不绞断线;
2、 稳定平滑、低扭力的顺畅运行可同时对电信号、高清视频、高频信号、指令控制、数据传输、伺服电机等多种信号、功率的混合传输;
3、导电环采用V槽设计经军工级进口耐磨金处理,保证极低电阻波动和超长工作寿命
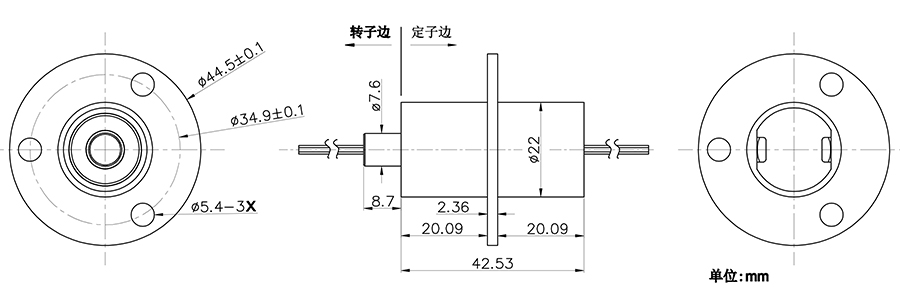
产品图纸
技术参数
|
技术参数 |
|||
|
通路数(线数) |
24线 |
额定电流 |
2安/线 |
|
外 径 |
ø22mm |
转速范围 |
0-250rpm |
|
认 证 |
CE、RoHS |
工作温度 |
-20℃+60℃ |
|
触点材质 |
贵金属:金-金 |
外壳材料 |
工程塑料或金属材质 |
|
额定电压 |
0~240 VDC/VAC |
防护等级 |
IP51(更高需求可定制) |
|
绝缘电阻 |
500MΩ@250VDC/AC |
耐压强度 |
500V@50HZ,60s无击穿 |
|
防护等级 |
IP51(更高需求可定制) |
导线长度 |
250mm,可以定制线长、线径、颜色 |
|
导电环材质 |
低电阻耐磨合金、贵金属材质 |
导线规格 |
耐高温铁氟龙 #AWG28# 低电阻镀银铁氟龙线 |
注意:1、产品使用寿命和工作速度、工作温度、湿度及负载等使用条件强相关.
2、电气噪音与工作转速,电流,电压精密相关.
导线色码
注意:如果您需要的线数超过了91视频专区表格中的颜色数量,91视频专区将会按表格顺序依次重复颜色,并在产品完成后使用套管区分标识。
导线色码表
环数
1
2
3
4
5
6
颜色
黑
褐
红
橙
黄
绿
环数
7
8
9
10
11
12
颜色
蓝
紫
灰
白
粉红
浅蓝
环数
13
14
15
16
17
18
颜色
白黑
白褐
白红
白橙
白黄
白绿
环数
19
20
21
22
23
24
颜色
白蓝
白紫
白灰
透明
白粉
白浅蓝
■ 环路数 ■ 外壳材料
■ 防护等级 ■ 更高转数■ 导线长度 ■ 端子接插件
■ 专用导线 ■ 工作温度
■ 防盐雾
■ 外壳可反装■ 闭路监控云台
■ 机械手
■ 医疗卫生设备
■ 旋转工作平台
■ 流水线生产、工业控制设备










133 2298 6436